홈 >
제품소개 >
분뇨차 펌프
분뇨차 펌프
분뇨차용 진공 펌프 제품 라인업입니다. 규격에 맞는 제품 상담 및 견적 문의가 가능합니다.
제품 스펙
상세 규격은 차량/연식/적용 라인에 따라 달라질 수 있습니다. 정확한 확인은 문의 바랍니다.
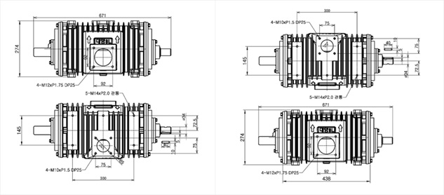
진공펌프 10L (10000) 스펙
| 체적 용량 | 10L |
| 흡입 / 토출 | 85mm / 75mm |
| 최대 회전수 (RPM) | 500 |
| 음압 / 가압 | 0.08 Kg/cm2 / 0.1 Kg/cm2 |
| 재질 | FC200 |
| 중량 | 57Kg |
진공펌프 8L (8000) 스펙
| 체적 용량 | 8L |
| 흡입 / 토출 | 75mm / 75mm |
| 최대 회전수 (RPM) | 500 |
| 음압 / 가압 | 0.08 Kg/cm2 / 0.1 Kg/cm2 |
| 재질 | FC200 |
| 중량 | 57Kg |
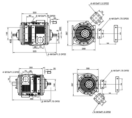
진공펌프 5L (6000) 스펙
| 체적 용량 | 5L |
| 흡입 / 토출 | 75mm / 75mm |
| 최대 회전수 (RPM) | 500 |
| 음압 / 가압 | 0.08 Kg/cm2 / 0.1 Kg/cm2 |
| 재질 | FC200 |
| 중량 | 57Kg |
진공펌프 3L (4000) 스펙
| 체적 용량 | 3L |
| 흡입 / 토출 | 64mm / 64mm |
| 최대 회전수 (RPM) | 500 |
| 음압 / 가압 | 0.08 Kg/cm2 / 0.1 Kg/cm2 |
| 재질 | FC200 |
| 중량 | 57Kg |